顶尖的合约测试实验室在汽车和移动出行行业测试中采用先进的 MTS 解决方案,以帮助提升竞争力、促进持续改进,并为新产品和制造工艺的开发提供支持。
二十多年来,位于西班牙比戈的加利西亚汽车技术中心 (CTAG) 持续为欧洲汽车和移动出行行业输送先进的技术和专业知识。如今,CTAG 的客户可使用先进的 MTS 测试和仿真解决方案,为下一代自动驾驶和互联汽车、智能零排放移动出行解决方案以及创新轻质材料的构思、开发、生产和交付提供支持。
声学和振动测试:六自由度多轴仿真振动台 (MAST) 系统使 CTAG 客户能够开展车内声学、NVH 和人员乘坐舒适性研究,并在真实振动和气候条件下测试锂离子电池组和车辆零组件的耐久性。

紧凑型 353.10 型 MAST 系统专门设计用于在 1 米圆台上以高达 500 Hz 的频率对重达 500 kg 的有效载荷进行测试,非常适合集成至环境箱和消声室中使用。

353.20 型 MAST 系统专门设计用于在 2 米圆台或 2.2 米方台上以高达 200 Hz 的频率对重达 1000 kg 的有效载荷进行测试,非常适合集成至环境箱和消声室中使用
耐久性和疲劳测试:CTAG 拥有一系列 MTS 系统控制器、应用软件、坚固可靠的液压机械产品和模块化承载硬件,用于构建紧密集成的高性能组件和零组件测试台。

多功能 FlexTest® 控制器拥有可在现场升级的模块化架构、先进的补偿工具包和业界领先的应用软件,为 CTAG 提供所需的灵活性,以满足不断变化的客户需求和不断扩展的测试任务。

领先的 RPC® 软件为 CTAG 提供了一整套仿真控制、分析和信息管理工具,能够准确、高效地在实验室测试台上复现现场测量的载荷。

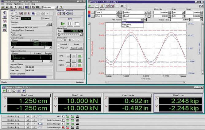
功能齐全的 MultiPurpose TestWare® (MPT) 软件能提供全面的测试设计环境和经过行业验证的应用工具集,可用于开展全方位的单轴和多轴组件和零组件测试。

CTAG 配备的疲劳级 MTS DuraGlide® 作动缸设计用于提供高保真力和运动,非常适合各种汽车测试应用,包括车辆耐久性测试、组件和子系统的动态疲劳测试、结构共振搜索和模态分析。

模块化、精密设计的 TestLine™ 钟形曲柄、杠杆、支柱、轴承和反力框架使 CTAG 能够制造紧密集成的高性能测试台,而这些测试台支持快速重新配置,以满足客户不断变化的组件和子系统疲劳及耐久性测试需求。

CTAG 的液压测试台由可靠的 SilentFlo™ 液压动力装置 (HPU) 驱动,该装置具有一系列下一代能效、健康监测和系统集成选项。MTS 液压伺服分油器 (HSM) 在 HPU 和测试台之间提供平稳、可控的压力转换,可增强实验室安全并确保测试控制的可预测性。